Leboard.ruВыбор пользователей Яндекс– Выбор пользователей по данным Яндексаi Знак “Выбор пользователей” получают сайты с высокой степенью вовлечённости и лояльности пользователей по данным Яндекса
open chatПодать объявлениевверх

Проектные работы по переоборудованию теплоходов

договорная цена
Проектные работы по переоборудованию теплоходов
Проектные работы по переоборудованию теплоходов в Азове
Проектные работы по переоборудованию теплоходов в Азове фото 3
Проектные работы по переоборудованию теплоходов в Азове фото 4
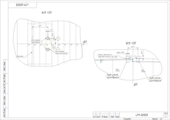
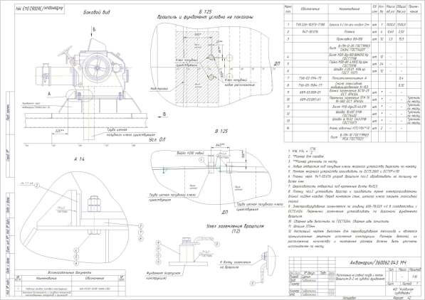
Добрый день, уважаемые! Выполняю проектные работы по переоборудованию судов по механической части согласно правил РС и РРР, а также согласование этих работ (проектов) с РС и РРР. С уважением Сурмин Олег Борисович
Местоположение
Азов, Россия
Показать на карте
Более месяца назад, 315 просмотров Пожаловаться